產品展示
聯系我們
徐州正邦礦山設備制造有限公司
聯系人:張經理
手機:15862181898
電話:0516-85151789
網址:www.happyrainbow.com.cn
地址:徐州市銅山區大彭鎮沙塘果園工業園
立風井防爆門

一、產品用途
立風井防爆門用于立風井井口,當風機停機時,能自動打開井口,保護礦井。
二、產品型號、規格
立風井防爆門按風機負壓分為不大于350mm水柱和不大于450mm水柱兩大類,按井口直徑有3個規格,共有6個型號規格,見下表:
|
風機負壓 (mm水柱) |
型號規格 | 圖號 |
| ≤350 | MFBL-3.5/350 | B78-375.11 |
| MFBL-5.0/350 | B78-375.14 | |
| MFBL-6.0/350 | B78-375.16 | |
| ≤450 | MFBL-3.5/450 | B78-375.2 |
| MFBL-5.0/450 | B78-375.5 | |
| MFBL-6.0/450 | B78-375.7 |

三、產品說明
立風井防爆門為煤炭工業部武漢煤礦設計研究院設計,產品質量標準和檢測標準嚴格執行Q/WMS-3015-2006《立風井防爆門》。
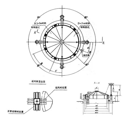
四、產品主要結構
本立風井防爆門為防爆蓋、返風裝置、重錘裝置等部件組成。
1、防爆蓋采用錐形結構,分四個部分聯接而成,每部分由鋼板,角鋼組焊成型。
2、返風裝置為壓板式。
3、重錘裝置由重錘架、滑輪、配重組成。
4、密封方式采用鋼板組焊外圈板固定δ15橡膠板密封。
徐州銘輝礦山設備制造有限公司位于素有四千多年歷史,為華夏九州之一“五省通衢”之稱的江蘇歷史文化名城——徐州市。主要產品有:無壓風門、防水密閉門、避難硐室門、礦用門、風井門、抗沖擊波活門、煤礦專用防護安全門類產品、礦山輸送設備等。同時為客戶設計制造專用、非標等特殊產品。





